* Use 32 bit data width
* Use 16 bit address width, but only use some of the bits coming out of the ALU
# Review
```mips
beq $8, $9, 5 #jump ahead 5 instructions
```
000100 01000 01001 0000000000000101
ALUop: "sub"
ALUSrc: 0
Branch: 1
MemRead: 0
MemWrite: 0
MemtoReg: x
RegWrite: 0
RegDst: x
# Performance Issues
## Performance Issues
- Longest delay determines clock period
-
Some stages of the datapath are idle waiting for others to finish
-
Can improve performance by **pipelining**
# Pipelining
#### Breaking down instruction execution
- Five stages:
1. **IF**: Instruction Fetch
- read it from instruction memory
2. **ID**: Instruction Decode and Register Read
- split instruction into parts, read register data
3. **EX**: Execute
- ALU calculates result
4. **MEM**: Memory Access
- read from or write to memory
5. **WB**: Write back
- put new data back into a register
## Pipeline Analogy
- Suppose you need to do four loads of laundry
-
Each load of laundry needs to be
1. Washed via the washing machine
2. Dried via the dryer
3. Folded
4. Put away in the closet
-
For simplicity, assume that each task takes 30 mins
## Pipeline Analogy
- How long does it take to complete four loads?
-
One approach uses only one stage at a time and does nothing in parallel:

-
Notice that the washer is unused 3/4 of the time
## Pipeline Analogy
- Another approach is harnessing parallelism by running independent stages simultaneously

-
How much of a speedup does this approach give us?
+
$8/3.5 = 2.3\times$ speedup
+
$2n/0.5n = 4\times$ speedup if running continuously
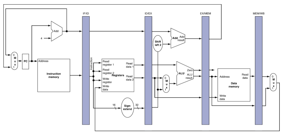
## Pipelined Datapath

## Pipelined Datapath
- Five stages:
1. **IF**: Instruction Fetch
2. **ID**: Instruction Decode
3. **EX**: Execute
4. **MEM**: Memory access
5. **WB**: Write back
## Pipeline Performance
- Assume time for stages is:
+ `$100\text{ps}$` for register read/write
+ `$200\text{ps}$` for other stages

## Without a Pipeline

- Why must the clock be set to `$800\text{ps}$` when some instructions like `beq` could be completed in `$500\text{ps}$`?
+
Clock speed is limited by **slowest** instruction: `lw`
## With a Pipeline

-
How much of a speedup does this approach give us?
+
`$2400/1400 = 1.7\times$` speedup
+
`$800n/200n = 4\times$` if running continuously
## Pipeline Performance
- Does using a pipeline increase the efficiency of executing **individual** instructions?
+
No, it slows them down from `$800\text{ps}$` to `$1000\text{ps}$`
+
Performance benefits come from increased **throughput** due to the parallelism
## Why MIPS is Good for Pipelining
- All MIPS instructions are the **same length**
+ Easy to fetch instruction in cycle 1
+ Easy to decode instruction in cycle 2
-
MIPS has only **a few instruction formats**
+ Registers will always be in same location
+ Easy to decode instructions
# Hazards
## Hazards
- Up until now, we have pretended that each instruction is **independent** of the others and that there are no conflicts
-
In reality, instructions often depends on previous ones, which may cause naive pipelining to fail
### Exercise
```mips
add $s0, $t0, $t1
sub $t2, $s0, $t3
```
- What stage does `add` write the result of `$s0` into the register file?
- What stage does `sub` read from `$s0`?
- Why is this a problem?
- Can you think of any ways to fix this?
## Types of Hazards
- Situations that prevent immediately executing the next instruction in the pipeline are called **hazards**
-
Three types of hazards:
1. Structure hazards
2. Data hazards
3. Control hazards
# Structure Hazards
## Structure Hazards
- In our laundry example, we were assuming the "fold" and "put away" stages could be done simultaneously
+ However, if you are working by yourself, you would have to do them sequentially
-
A **structure hazard** occurs when a required resource is busy performing another task
## Structure Hazards
- Recall that our MIPS pipeline has five stages:
+ IF, ID, EX, MEM, WB
-
The ID and WB stages read and write to the register file simultaneously
+ Does this create a structure hazard?
+
No, by design, the register file supports simultaneous reading and writing
## Structure Hazards
- Suppose that we stored instruction memory and data memory in the same location
+ Would this create a structure hazard?
+
Yes, the IF and the MEM stages would need to simultaneously read from the same memory
+
If using a single memory, the pipeline would need to **stall** to wait for the resource to become available
# Data Hazards
## Data Hazards
- A **data hazard** occurs when one instruction depends on the result of a previous instruction
-
Our example:
```mips
add $s0, $t0, $t1
sub $t2, $s0, $t3
```
-
What stage does `add` write the result of `$s0` into the register file?
+
Stage 5: Write Back
-
What stage does `sub` read from `$s0`?
+
Stage 2: Instruction Decode
## Data Hazards
- Would need to stall for two clock cycles in order to wait for the value $s0 to be available for reading

## Forwarding (aka Bypassing)
- One way to avoid some data hazards without stalling is to **forward** the result to the next instruction immediately when it is available

### Discuss: What does this look like on the datapath?

## Forwarding (aka Bypassing)
- Can you think of a situation where forwarding cannot resolve a data hazard?
```mips
lw $s0, 20($t1)
sub $t2, $s0, $t3
```
-
What stage does `lw` produce the bits of `$s0`?
+
After Stage 4: MEM
## Forwarding (aka Bypassing)
- Why does this create an unavoidable stall?

-
We cannot send data **backwards in time**
## Data Hazard Exercise
- Consider the following MIPS code:
```mips
lw $t0, 40($a3)
add $t6, $t0, $t2
sw $t6, 40($a3)
```
-
Assuming there is no forwarding implemented, are any stalls necessary?
-
How many clock cycles are required to execute these three lines of code without forwarding?
## Data Hazard Exercise
- Consider the following MIPS code:
```mips
lw $t0, 40($a3)
add $t6, $t0, $t2
sw $t6, 40($a3)
```
- Assuming there IS forwarding implemented, are any stalls necessary?
-
How many clock cycles are required to execute these three lines of code with forwarding?
## Rearranging Instructions
- Another way to avoid data hazards is by rearranging instructions
- Consider the following MIPS code:
```mips
lw $t1, 0($t0)
lw $t2, 4($t0)
add $t3, $t1, $t2
sw $t3, 12($t0)
lw $t4, 8($t0)
add $t5, $t1, $t4
sw $t5, 16($t0)
```
-
Identify any stalls that are necessary even with forwarding and hazard detection active
## Rearranging Instructions
- These two stalls could be avoided by rearranging the code in the following way:
```mips
lw $t1, 0($t0)
lw $t2, 4($t0)
lw $t4, 8($t0)
add $t3, $t1, $t2
sw $t3, 12($t0)
add $t5, $t1, $t4
sw $t5, 16($t0)
```
# Control Hazards
## Control Hazards
- A **control hazard** (aka branching hazard) is when the next instruction to be executed is not yet known
-
Caused by **branching** instructions such as `beq`
-
During a `beq` instruction, at what pipeline stage do we know which branch will be taken?
+
After Stage 3: EX
## Control Hazards
- One way to avoid control hazards is by stalling

-
After every branch statement, we stall for one cycle
## Control Hazards
- The pros of the "always stall" approach are:
1.
Simple and easy to understand
2.
Will always work
-
The con of "always stall" is:
+ It is slow
## Control Hazards
- An alternative to the always stall approach is **branch prediction**
+ Make an educated guess on what the next instruction will be and execute that
+
If incorrectly guessed, "undo" the steps and go to the correct branch
## Control Hazards
- **Static branch prediction** will always predict a certain branch depending on the branching behavior
+
Predict forward branches not taken
+
Predict backward branches taken (loops)
-
**Dynamic branch prediction** keeps track of how many times a branch is taken and updates its predictions based on history
# Pipelined Datapath Design
## Pipelined Datapath Design

## Using Registers (Has Bug)

## Using Registers (Bug Fixed)

# Pipelined Control
## Pipelined Control Simplified

## Pipelined Control Registers
- Control signals derived from instruction and passed through the relevant registers

## Pipelined Control Complete